中心供氧工程设计与安装公司
一、医用中心供氧工程的设计主要包括以下几个方面:
确定供氧站的位置:供氧站应位于医院或养老院的主要建筑内,并尽量靠近需要供氧的区域。
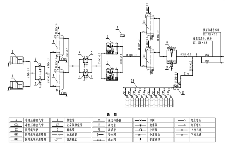
选择供氧源:根据实际需要,可以选择PSA制氧系统、液氧储罐或瓶氧作为供氧源。需要注意的是,PSA制氧系统主要由空气压缩机和氧气发生器组成,可以根据实际需要调节氧气压力,耗电较高,但安全可靠,适合在交通不便的地区使用。液氧储罐的浓度为99.5%,由医用液氧储罐、汽化器和减压装置组成,需要注意单个医用液氧储罐的最大容积和单个液氧站安装的液氧储罐最大数量限制。瓶氧的浓度也为99.5%,是高压气态氧,常用作医院的备用气和应急气源。
设计和安装氧气管道:氧气管道需要采用脱脂无缝铜管或无缝不锈钢管,并进行脱脂处理。管道的布局和连接应合理,以避免气体回流和其他潜在问题。
确定医用气体终端设备:医用气体终端设备包括医用设备带、气体终端和呼叫对讲系统等。这些设备的选择和安装位置应考虑到使用的方便性和安全性。
考虑监控系统:为了确保供氧系统的安全和正常运行,应考虑安装监控系统,如医用气体监测报警系统等。 验证和调试:在完成安装和连接后,应对系统进行验证和调试,确保其正常运行。

二、中心供氧系统工程设计参照标准:
《医用气体工程技术规范》GB 50751-2012 《综合医院建筑设计规范》GB 51039-2014 《医院洁净手术部建筑技术规范》GB 50333-2013 《建筑设计防火规范》GB 50016-2014 《氧气站设计规范》GB 50030-2013 《压缩空气站设计规范》GB 50029-2014 《压力管道规范工业管道》GB/T 20801-2006 《工业金属管道设计规范》GB 50316-2000 (2008版) 《工业金属管道工程施工规范》GB 50235-2010 《工业金属管道工程施工质量验收规范》GB 50184-2011 《爆炸危险环境电力装置设计规范》GB 50058-2014 当依据的标准规范进行修订或有新的标准规范出版实施时,本文集与现行工程建设标准不符的内容、限制或淘汰的技术或产品视为无效。工程技术人员在参考使用时,应注意加以区分,并应对本文集相关内容进行复核后选用。 适用于新建、改建和扩建的综合医院、专科医院、社区医院等医疗卫生机构的集中式医用气体系统,也适用于新建、改建和扩建的养老建筑。当其他建筑的气体介质和参数与本图集一致时可参考本图集的有关内容。

三、中心供氧管道的安装主要包括以下步骤:
材料准备:准备好所需的管材、管件、阀门、法兰等,检查其规格、质量是否符合要求。
管道切割:根据设计要求,将管道切割成所需长度。切割后,应将切割面清理干净,确保无杂质、毛刺等。
管道弯曲:根据设计要求,使用专用工具将管道弯曲成所需形状。弯曲后,应检查管道是否出现裂纹、折皱等现象。
管道组装:将切割好的管道、管件、阀门、法兰等按照设计要求进行组装。组装时应注意对齐端口,确保连接处紧密、无泄漏。
管道焊接:对于需要焊接的管道,应按照焊接规范进行操作。焊接时应确保焊缝平整、无缺陷,同时避免过度加热导致管道变形。
管道清洁:在安装前应对管道进行彻底清洁,去除管道内外的杂质和污垢。清洁后应使用干燥的压缩空气吹扫管道内部,确保无残留物。
管道安装:将清洁好的管道按照设计要求进行安装,注意避免弯曲、折皱和扭曲。同时应确保支架和吊架的牢固性和稳定性。
气密性试验:安装完毕后,应对管道进行气密性试验,以检查管道是否存在泄漏现象。试验时应缓慢升压至工作压力,并保持一段时间,确认无泄漏后方可投入使用。

四、中心供氧系统设备的安装主要包括以下步骤:
1、氧气站设备的安装:医用制氧机和氧气瓶的放置位置要适当,避免日光曝晒和雨淋。氧气瓶应垂直竖立放置,且高度不宜超过2m。在气密性试验合格后方可投入使用。医用液态氧储罐的安装位置应参考与周边建筑物的间距。
2、压力表的安装:气体钢瓶上的压力表应安装在距地面1米处,并保持水平。
3、减压阀的安装:安装前必须检查各部件是否完整无缺,如有损坏应及时更换。
4、连接管道及接头的安装:气管导管一般采用内螺纹的气管导管,长度不宜超过2米。使用中严禁扭动阀门和调节螺母。当需要经常调节时应在接头外涂以凡士林油膏保护接头的螺纹部分。
5、流量计的安装:将流量计旋钮调至所需数值后关闭进气阀门(或开启出气阀门),再缓慢打开进气阀门直到所需的流量为止(注意防止突然开启造成气体冲击)。然后逐渐减小进气和出气的比例使流量稳定在所需值。
6、报警装置的安装:报警系统应安装在靠近用氧设备的位置,且应安装在无日光直射或其他热源直接辐射的场所,防止报警器误报警。
7、控制台的安装:控制台应安装在便于观察和操作的位置,通常安装在靠近用氧设备或氧气管道的近旁。
8、系统的调试和验收:在完成安装后,应对整个系统进行调试和验收,确保供氧系统正常运行并符合相关标准。

五、病房床头医用设备带的安装步骤如下: 根据实际情况确定设备带安装的具体位置,一般安装在病房床边上方的墙上,距离地面1.3m-1.5m处,方便使用。 根据墙体的建筑使用材质来决定固定方式,如果是普通混泥土或砖墙可以用膨胀栓或者钢钉来固定;如果是轻钢龙骨石膏板,可以采用自攻丝龙骨来固定或者用飞机膨胀螺栓固定;如果墙体是泡沫轻体砖,一般用密度较高的多个膨胀栓固定。如果遇到背靠背的房间,可以采用对穿固定,这样会更加牢固。 设备带表面喷塑做处理,不仅美观而且耐磨,易清洁。
